chevron-arrow

Back

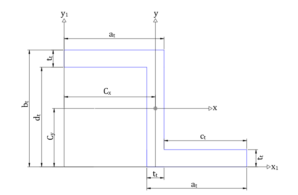
Zed Beam

The zed-beam (Z-section) has a Z-shaped profile, consisting of a web and two flanges that extend in opposite directions from the web. This point-symmetric shape offers advantages in certain applications, such as purlins, where they can be lapped at supports to create a continuous line. They are designed to resist bending and are commonly used in cold-formed steel construction for roof and wall support systems.