Enji Technologies

templates

chevron-arrow

request templates

chevron-arrow

Docs

chevron-arrow

Feedback Board

chevron-arrow

log in to Enji-io

chevron-arrow
BurgerMenu

OUR TEMPLATES

LinkedIn

line

Calculators

line

Support

line

Privacy Policy

line

Compliance & Security

line

ENJI TECHNOLOGIES 2026

chevron-arrow

Back

Unequal I Beam

Open in Enji.io

chevron-arrow

The unequal I-beam features flanges of different widths or thicknesses. This specialised profile is designed for applications where stress distribution is asymmetrical, such as in composite beams where the top flange interacts with a concrete slab, effectively shifting the neutral axis. It can also be used for crane runway beams or other members subjected to eccentric loads or specific connection requirements, optimising material for unbalanced loading conditions.

Note: To use these calculations, open the page on your desktop to access the app link.

Scroll to see all calcs!
scroll right
Calculations
Description
Symbol Name
Value
Unit
Comment
0
Unequal I-beam
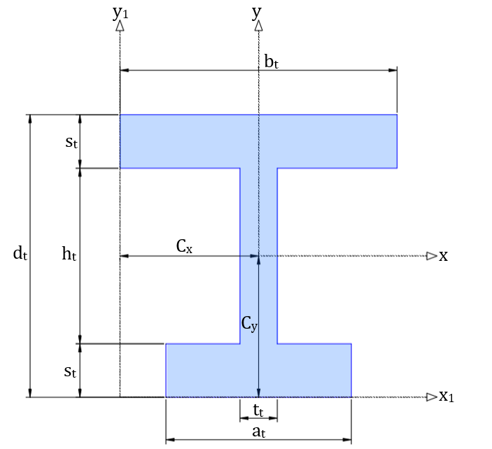
1
figure wim9139cf599d
2
Geometry input parameters
3
Section depth
dt
100.00
mm
4
Web thickness
tw
5.00
mm
5
Width of top flange
bf,top
50.00
mm
6
Top flange thickness
tf,top
5.00
mm
7
Width of bot flange
bf,bot
30.00
mm
8
Bot flange thickness
tf,bot
4.00
mm
9
Calculated geometry parameters
10
Web depth
hw
91.00
mm
hw
=
dt-tf,top-tf,bot
=
100.00-5.00-4.00
11
Area
At
825.00
mm2
At
=
bf,top⋅tf,top+hw⋅tw+bf,bot⋅tf,bot
=
50.00⋅5.00+91.00⋅5.00+30.00⋅4.00
12
Perimeter
Pt
350.00
mm
Pt
=
2⋅(bf,bot+bf,top+dt-tw)
=
2⋅(30.00+50.00+100.00-5.00)
13
Distance to centroid (x-axis)
Cx
25.00
mm
Cx
=
max(bf,bot,bf,top)2
=
max(30.00,50.00)2
14
Distance to centroid (y-axis)
Cy
57.14
mm
Cy
=
dt-1(2⋅At)⋅(tw⋅dt2+tf,top2⋅(bf,top-tw)+tf,bot⋅(bf,bot-tw)⋅(2⋅dt-tf,bot))
=
100.00-1(2⋅825.00)⋅(5.00⋅100.002+5.002⋅(50.00-5.00)+4.00⋅(30.00-5.00)⋅(2⋅100.00-4.00))
15
Second moments of area
16
Second moment of area about the x-axis (1)
I1,x
(3.178e+6)
mm4
I1,x
=
13⋅(bf,top⋅(dt-Cy)3+bf,bot⋅Cy3)
=
13⋅(50.00⋅(100.00-57.14)3+30.00⋅57.143)
17
Second moment of area about the x-axis (2)
I2,x
(2.064e+6)
mm4
I2,x
=
13⋅((bf,top-tw)⋅(dt-Cy-tf,top)3+(bf,bot-tw)⋅(Cy-tf,bot)3)
=
13⋅((50.00-5.00)⋅(100.00-57.14-5.00)3+(30.00-5.00)⋅(57.14-4.00)3)
18
Final second moment of area about the x-axis
Ixx
(1.113e+6)
mm4
Ixx
=
I1,x-I2,x
=
(3.178e+6)-(2.064e+6)
19
Second moment of area about the y-axis
Iyy
62031.3
mm4
Iyy
=
(tf,bot⋅bf,bot3)12+(hw⋅tw3)12+(tf,top⋅bf,top3)12
=
(4.00⋅30.003)12+(91.00⋅5.003)12+(5.00⋅50.003)12
20
Second moment of area about the z-axis
Izz
(1.175e+6)
mm4
Izz
=
Ixx+Iyy
=
(1.113e+6)+62031.3
21
Other properties
22
Radius of gyration about x-axis
Kx
36.74
mm
Kx
=
IxxAt
=
(1.113e+6)825.00
23
Radius of gyration about y-axis
Ky
8.67
mm
Ky
=
IyyAt
=
62031.3825.00
24
Elastic section modulus about x-axis
Sx
19485.1
mm3
Sx
=
IxxCy
=
(1.113e+6)57.14
25
Elastic section modulus about y-axis
Sy
2481.25
mm3
Sy
=
IyyCx
=
62031.325.00
26
Plastic modulus
27
Upper flange area
Afu
250.00
mm
Afu
=
bf,top⋅tf,top
=
50.00⋅5.00
28
Lower flange area
Afd
120.00
mm
Afd
=
bf,bot⋅tf,bot
=
30.00⋅4.00
29
PNA Located Between Flanges
ypna,1
62.50
mm
ypna,1
=
tf,bot+1(tw)⋅(At2-Afd)
=
4.00+1(5.00)⋅(825.002-120.00)
30
PNA Located in Lower Flange
ypna,2
13.75
mm
ypna,2
=
At(2⋅bf,bot)
=
825.00(2⋅30.00)
31
PNA Located in Upper Flange
ypna,3
91.75
mm
ypna,3
=
dt-At(2⋅bf,top)
=
100.00-825.00(2⋅50.00)
32
Zx,1,temp
2640.63
mm3
Zx,1,temp
=
tw⋅(dt-ypna,1-tf,top)22
=
5.00⋅(100.00-62.50-5.00)22
33
Zx,1
27206.3
mm3
Zx,1
=
Afd⋅(ypna,1-tf,bot2)+Afu⋅(dt-ypna,1-tf,top2)+tw⋅(ypna,1-tf,bot)22+Zx,1,temp
=
120.00⋅(62.50-4.002)+250.00⋅(100.00-62.50-5.002)+5.00⋅(62.50-4.00)22+2640.63
34
Zx,2,temp
20937.5
mm3
Zx,2,temp
=
bf,top⋅tf,top⋅(dt-ypna,2-tf,top2)
=
50.00⋅5.00⋅(100.00-13.75-5.002)
35
Zx,2
41465.6
mm3
Zx,2
=
bf,bot⋅ypna,222+(bf,bot⋅(tf,bot-ypna,2)2)2+tw⋅hw2⋅(dt+tf,bot-tf,top-2⋅ypna,2)+Zx,2,temp
=
30.00⋅13.7522+(30.00⋅(4.00-13.75)2)2+5.00⋅91.002⋅(100.00+4.00-5.00-2⋅13.75)+20937.5
36
Zx,3,temp
19223.8
mm3
Zx,3,temp
=
tw⋅hw⋅(ypna,3-tf,bot-hw2)
=
5.00⋅91.00⋅(91.75-4.00-91.002)
37
Zx,3
31959.4
mm3
Zx,3
=
bf,bot⋅tf,bot⋅(ypna,3-tf,bot2)+Zx,3,temp+bf,top⋅(dt-ypna,3)22+bf,top⋅(dt-tf,top-ypna,3)22
=
30.00⋅4.00⋅(91.75-4.002)+19223.8+50.00⋅(100.00-91.75)22+50.00⋅(100.00-5.00-91.75)22
38
Zx,final
27206.3
mm
Zx,final
=
{Zx,1if and(Afd<At2,Afu<At2){Zx,2if Afd>At2Zx,3otherwise.otherwise.
=
{27206.3if and(120.00<825.002,250.00<825.002){41465.6if 120.00>825.00231959.4otherwise.otherwise.
39
Zy
4593.75
mm3
Zy
=
(tf,bot⋅bf,bot2)4+(hw⋅tw2)4+(tf,top⋅bf,top2)4
=
(4.00⋅30.002)4+(91.00⋅5.002)4+(5.00⋅50.002)4