chevron-arrow

Back

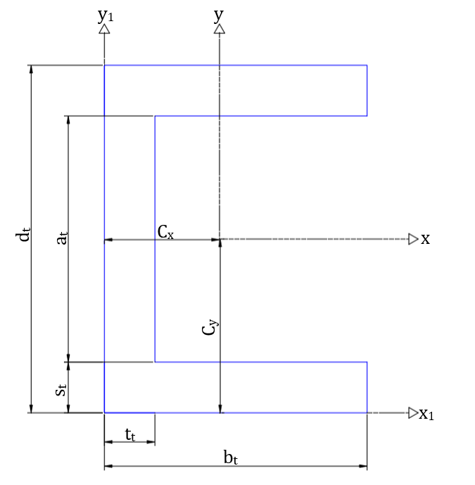
Square Channel

The square channel section, or C-section (where web height and flange width may be similar), features a central web with two flanges extending from one side. It is an open section, making it less efficient in torsion than closed sections. Channels are primarily designed to resist bending about the axis parallel to the web. Due to its asymmetry, it tends to twist if not loaded through its shear centre, often requiring use in pairs or with bracing. Common applications include purlins, girts, studs in light steel framing, and chassis components.