Enji Technologies

templates

chevron-arrow

request templates

chevron-arrow

Docs

chevron-arrow

Feedback Board

chevron-arrow

log in to Enji-io

chevron-arrow
BurgerMenu

OUR TEMPLATES

LinkedIn

line

Calculators

line

Support

line

Privacy Policy

line

Compliance & Security

line

ENJI TECHNOLOGIES 2026

chevron-arrow

Back

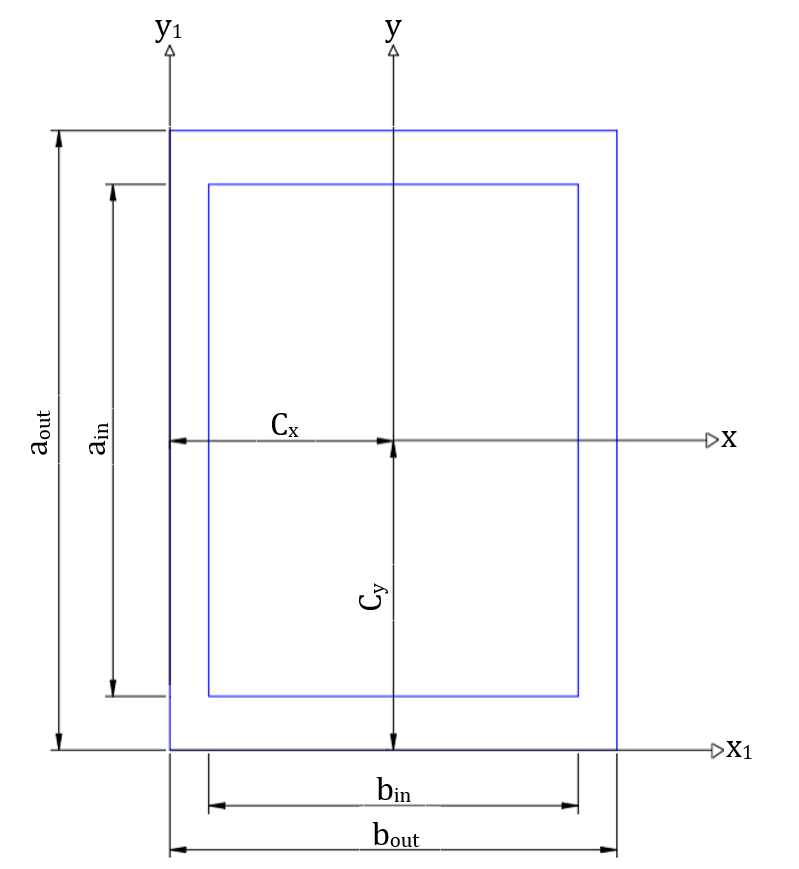
Rectangle Hollow

Open in Enji.io

chevron-arrow

The rectangular hollow structural shape (HSS) has a rectangular profile with a hollow interior. It provides excellent torsional resistance and is highly efficient for resisting bending and compression, particularly when the primary load direction is known and the section can be oriented optimally. Its closed form offers good stability against buckling, making it suitable for columns, beams, and frames in various structural applications, balancing strength with material efficiency.

Note: To use these calculations, open the page on your desktop to access the app link.

Scroll to see all calcs!
scroll right
Calculations
Description
Symbol Name
Value
Unit
Comment
0
Hollow Rectangle
1
figure wim5a78577ab2
2
Outer breadth
bout
10.00
mm
3
Inner breadth
bin
9.00
mm
4
Outer depth
aout
5.00
mm
5
Inner depth
ain
4.00
mm
6
Horizontal plate thickness
thorizontal
0.50000
mm
thorizontal
=
(aout-ain)⋅0.5
=
(5.00-4.00)⋅0.5
7
Vertical plate thickness
tvertical
0.50000
mm
tvertical
=
(bout-bin)⋅0.5
=
(10.00-9.00)⋅0.5
8
Area
At
14.00
mm2
At
=
bout⋅aout-bin⋅ain
=
10.00⋅5.00-9.00⋅4.00
9
Outer perimeter
Pout
30.00
mm
Pout
=
2⋅(aout+bout)
=
2⋅(5.00+10.00)
10
Inner perimeter
Pin
26.00
mm
Pin
=
2⋅(ain+bin)
=
2⋅(4.00+9.00)
11
Distance to centroid (x-axis)
Cx
5.00
mm
Cx
=
bout2
=
10.002
12
Distance to centroid (y-axis)
Cy
2.50
mm
Cy
=
aout2
=
5.002
13
Second moment of area about x-axis
Ix
56.17
mm4
Ix
=
bout⋅aout312-bin⋅ain312
=
10.00⋅5.00312-9.00⋅4.00312
14
Second moment of area about y-axis
Iy
173.67
mm4
Iy
=
bout3⋅aout12-bin3⋅ain12
=
10.003⋅5.0012-9.003⋅4.0012
15
Second moment of area about x1-axis
Ix1
143.67
mm4
Ix1
=
bout⋅aout33-bin⋅ain⋅(ain2+3⋅aout2)12
=
10.00⋅5.0033-9.00⋅4.00⋅(4.002+3⋅5.002)12
16
Second moment of area about y1-axis
Iy1
523.67
mm4
Iy1
=
bout3⋅aout3-bin⋅ain⋅(bin2+3⋅bout2)12
=
10.003⋅5.003-9.00⋅4.00⋅(9.002+3⋅10.002)12
17
Polar moment of inertia about centre
Jz
229.83
mm4
Jz
=
Ix+Iy
=
56.17+173.67
18
Polar moment of inertia about vertex
Jz1
667.33
mm4
Jz1
=
Ix1+Iy1
=
143.67+523.67
19
Radius of gyration about x-axis
Kx
2.00
mm
Kx
=
IxAt
=
56.1714.00
20
Radius of gyration about y-axis
Ky
3.52
mm
Ky
=
IyAt
=
173.6714.00
21
Radius of gyration about z-axis
Kz
4.05
mm
Kz
=
Kx2+Ky2
=
2.002+3.522
22
Radius of gyration about x1-axis
Kx1
3.20
mm
Kx1
=
Ix1At
=
143.6714.00
23
Radius of gyration about y1-axis
Ky1
6.12
mm
Ky1
=
Iy1At
=
523.6714.00
24
Radius of gyration about z1-axis
Kz1
6.90
mm
Kz1
=
Kx12+Ky12
=
3.202+6.122
25
Elastic section modulus about x-axis
Sx
22.47
mm3
Sx
=
IxCy
=
56.172.50
26
Elastic section modulus about y-axis
Sy
34.73
mm3
Sy
=
IyCx
=
173.675.00
27
Plastic section modulus about x-axis
Zx
26.50
mm3
Zx
=
(bout⋅aout2-bin⋅ain2)4
=
(10.00⋅5.002-9.00⋅4.002)4
28
Plastic section modulus about y-axis
Zy
44.00
mm3
Zy
=
(aout⋅bout2-ain⋅bin2)4
=
(5.00⋅10.002-4.00⋅9.002)4