chevron-arrow

Back

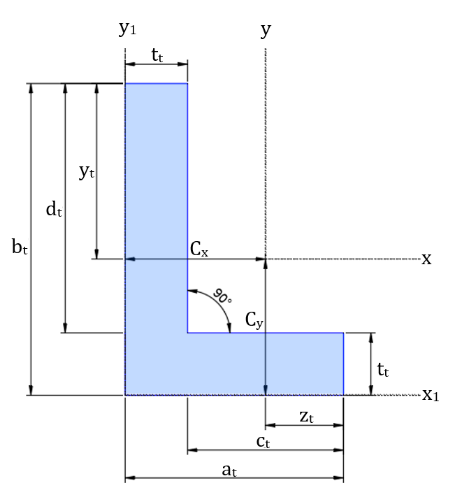
Rectangle Angle

The rectangle angle section, or L-section with unequal leg lengths, features two perpendicular legs of different dimensions. This asymmetry provides different section properties about its principal axes, allowing for more tailored strength characteristics compared to equal angles. Common applications include bracing, connecting members, frames for light structures, shelf supports, and situations where directional stiffness is a key design consideration.