Parallel Flange Channels
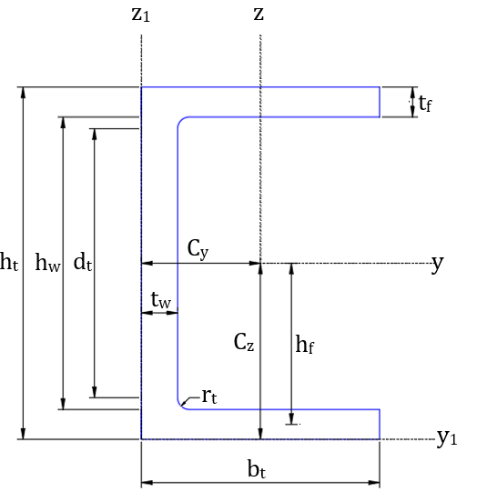
Parallel Flange Channels (PFC) are C-shaped sections with parallel inner and outer flange surfaces, simplifying connections. Used for columns, lintels, and beams.
Back
Parallel Flange Channels (PFC) are C-shaped sections with parallel inner and outer flange surfaces, simplifying connections. Used for columns, lintels, and beams.