Hot Formed I Sections
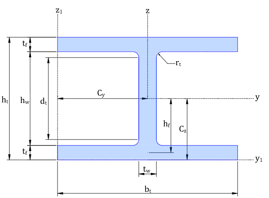
Hot-formed I-sections are structural steel shapes produced by hot rolling, giving them an “I” shaped cross-section with parallel flanges and a central web, optimised for carrying bending and shear in buildings and civil works.
Back
Hot-formed I-sections are structural steel shapes produced by hot rolling, giving them an “I” shaped cross-section with parallel flanges and a central web, optimised for carrying bending and shear in buildings and civil works.