chevron-arrow

Back

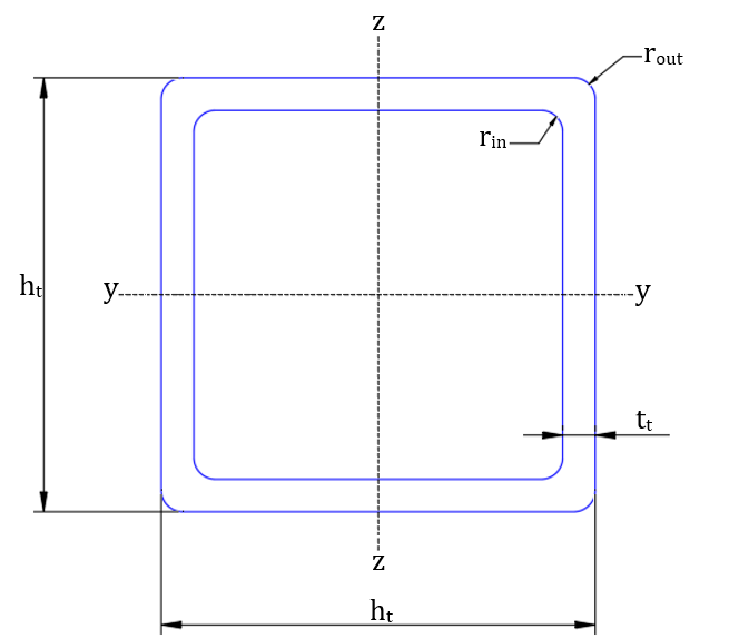
Cold And Hot Formed Square Hollow Sections

Square Hollow Sections include both cold-formed and hot-finished box-section profiles. Cold-formed sections are produced at ambient temperatures, while hot-finished sections are manufactured at elevated temperatures, offering excellent torsional resistance and column strength. Both types offer efficient structural performance for columns and bracing.