chevron-arrow

Back

Cold And Hot Formed Rectangular Hollow Sections

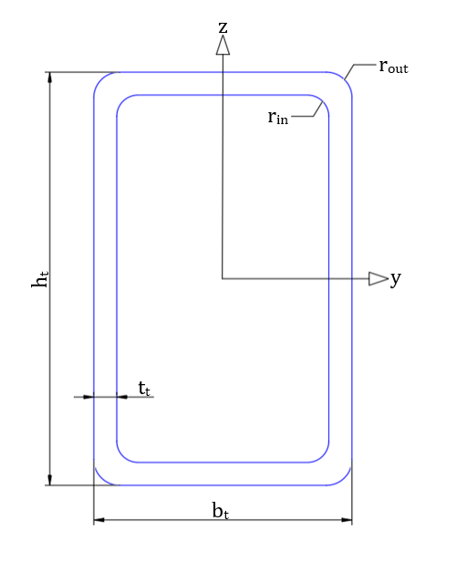
Rectangular Hollow Sections include both cold-formed and hot-finished rectangular box profiles. Cold-formed sections are manufactured at ambient temperatures, while hot-finished sections are formed at elevated temperatures, providing lower residual stresses. Both types are widely used for structural frames, beams, columns, and trusses.